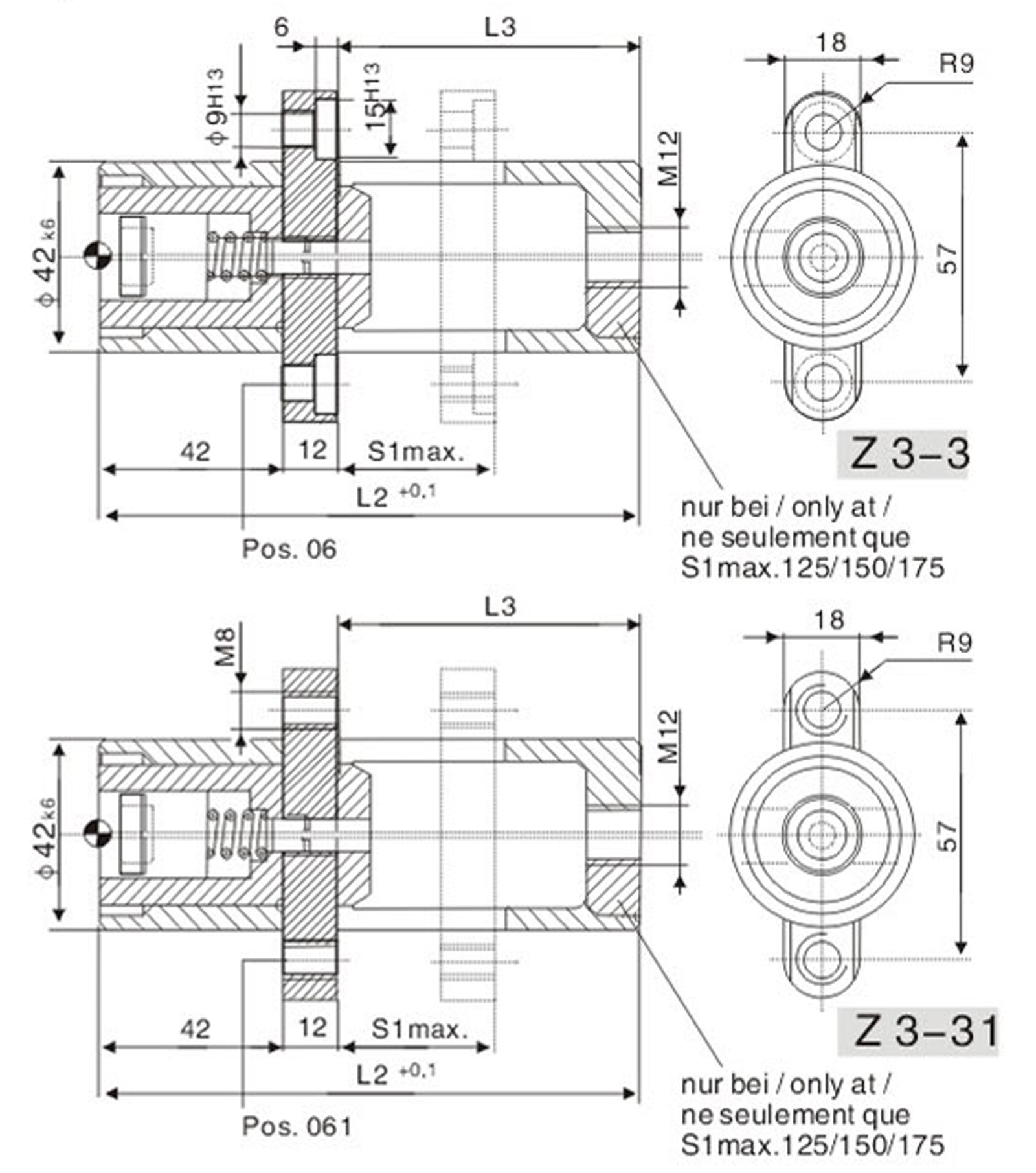
特點: 具有複位機構, 二次頂出裝置的功能, 使用時需良好的潤滑,才能使産品壽命更長、 更耐磨。
Characteristics: It has reset mechanism and double ejection device function. Good lubrication is needed in usage so
that product life can be much longer and the product can become more abrasion resistant.