歡迎來到 東莞市錦鴻塑膠五金模具配件有限公司 網站!

模具配件 VODA

中國地區服務熱線:

180 3348 3551

電話:0769-87330001轉8802

型號: Z4-1 -[待選參數]

鎖???Z4-1

LATCH LOCK

特點:安裝加工簡單,機械互鎖設計,安全可靠,可根據模具荷重選擇對應産品,      在模闆上至少要2套并對稱使用 。 使用溫度範圍120℃ 。

Characteristics: Installation and processing are simple. Design of mechanical      interlock is safe and      reliable. Connecting body and square positioning make product      more accurate. People can select      corresponding product according to die load.      There shall be at least 2 sets on template for      symmetrical use. Operating temperature range is 120℃.

? 産品分解圖

Product breakdown drawing

注意事項 :在模具加工中,必須計算相同的行程對稱安裝,否則會導致單套鎖??凼芰Σ黄胶? 導致組件斷裂 。
       
       ※ Precautions: lt is required to calculate the same stroke for symmetrical installation during die processing. Otherwise, it will cause unbalance force of single set of modelocking buckle and breakage of component.

? 安裝示意圖

Installation diagram

Order: Type No. x Pcs

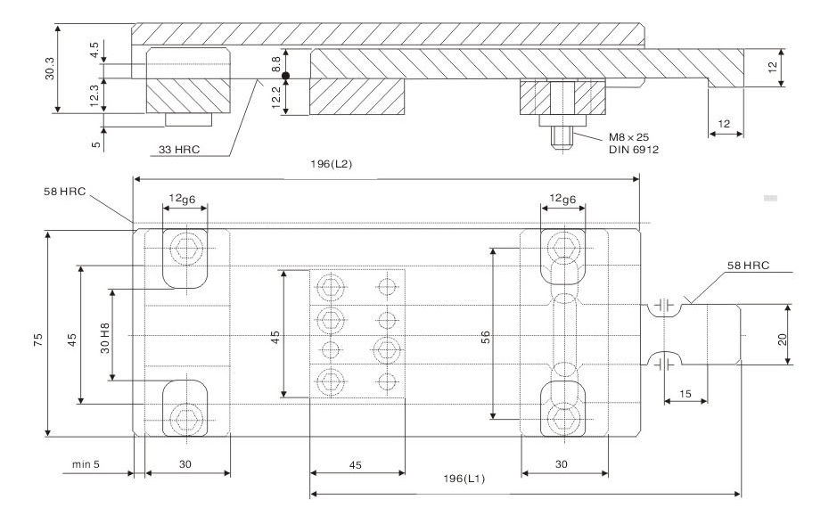
Z4-11-1-0 X 10

Order: Type No. x Pcs

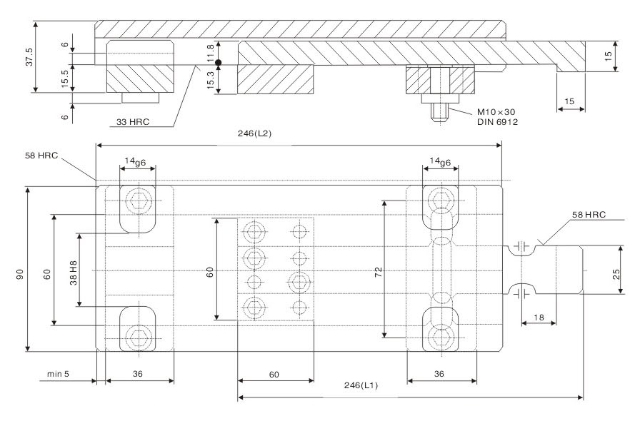
Z4-16-1-0 X 10

Order: Type No. x Pcs

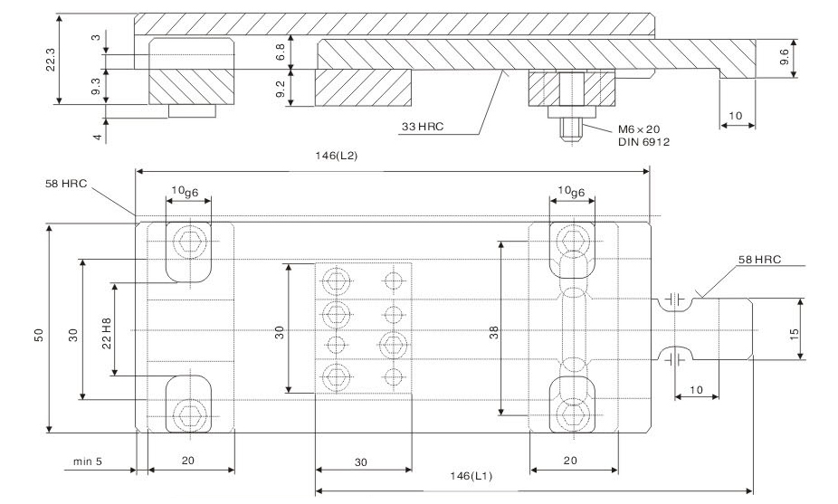
Z4-21-1-0 X 10

     
2D下載        3D下載

歡迎咨詢149-鎖??踆4-1 產品相關問題, 咨詢電話 ? 0769-87330001轉8802,或咨詢在線客服 (工作日:8:30-18:00)。

訂購:149-鎖??踆4-1

跟此產品相關的產品