歡迎來到 東莞市錦鴻塑膠五金模具配件有限公司 網站!

模具配件 VODA

中國地區服務熱線:

180 3348 3551

電話:0769-87330001轉8802

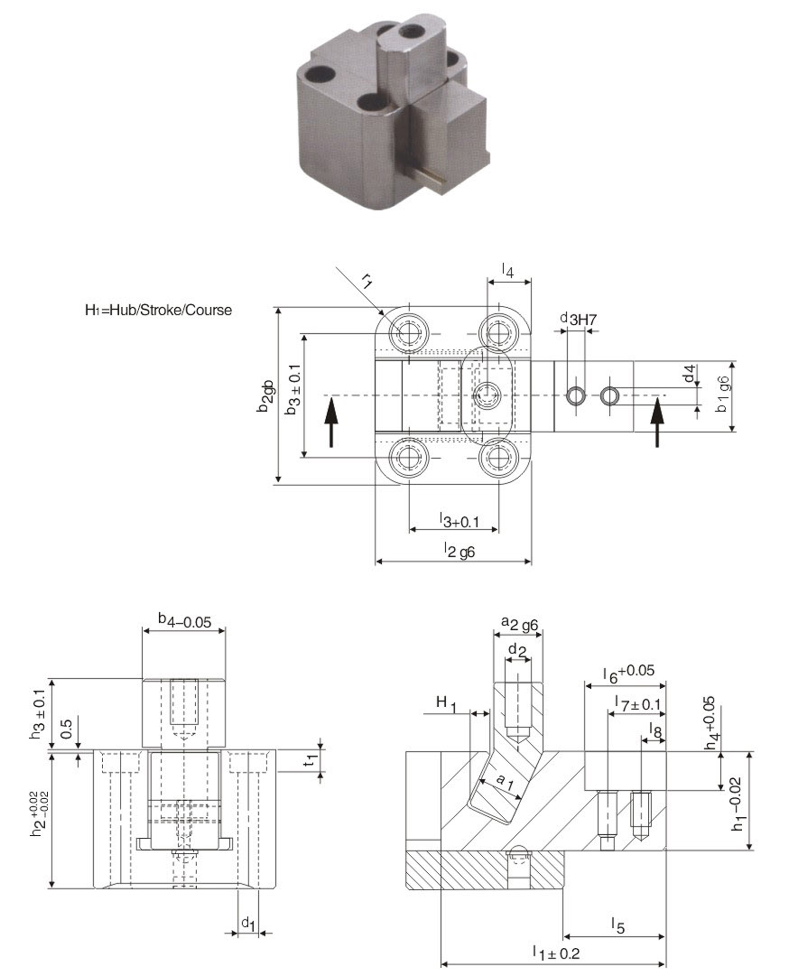
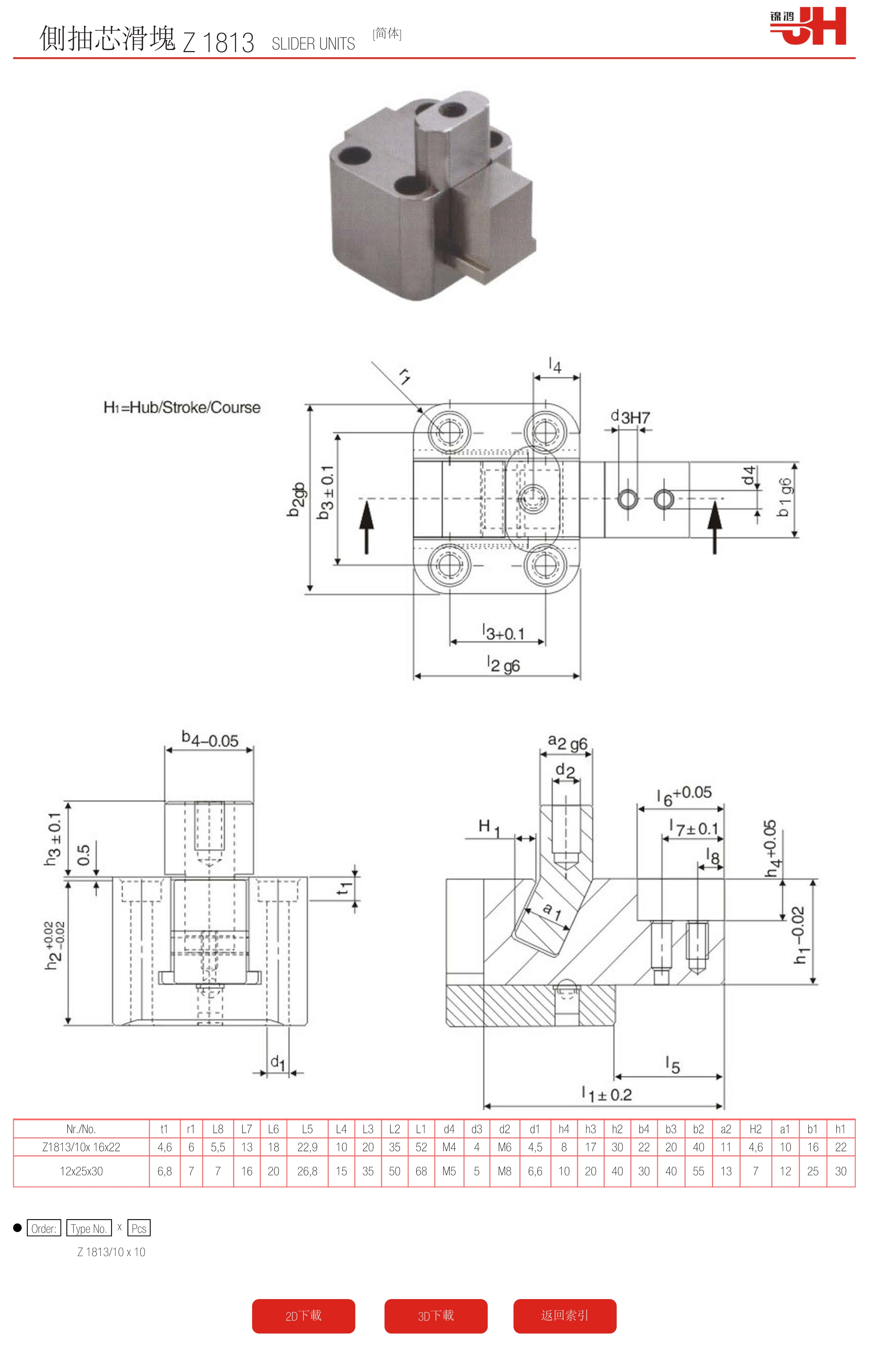
型號: Z1813 -[待選參數]

側抽芯滑塊 Z 1813

SLIDER UNITS

Nr./No.t1r1L8L7L6L5L4L3L2L1d4d3d2d1h4h3h2b4b3b2a2H2a1b1h1
Z1813/10x 16x224,665,5131822,910203552M44M64,581730222040114,6101622
12x25x306,877162026,815355068M55M86,6102040304055137122530
Order:Type No. x Pcs

Z 1813/10 x 10

2D下載        3D下載

歡迎咨詢168-側抽芯滑塊Z1813 產品相關問題, 咨詢電話 ? 0769-87330001轉8802,或咨詢在線客服 (工作日:8:30-18:00)。

訂購:168-側抽芯滑塊Z1813

跟此產品相關的產品