歡迎來到 東莞市錦鴻塑膠五金模具配件有限公司 網站!

模具配件 VODA

中國地區服務熱線:

180 3348 3551

電話:0769-87330001轉8802

型號: BS3305485 -[待選參數]

精密磨床配件

MAGNETIC TOOLS

5485BS330 蛇形萬向磁性座


特點:

  • 機械式精密型

  • 強力磁性底座,可隨意吸附于金屬表面以及圓柱上。

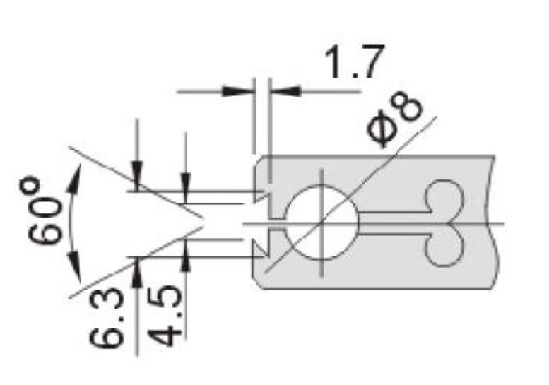
  • 夾具范圍包括φ8.以及1/4”燕尾槽。

訂購編號型號杠桿規格L3磁性座規格吸力(N)重量
Order No.ModelL1L2LWHN.W.
5485-01BS330S110756560505580kgf1.5kg
5485-02BS330M150986560505580kgf1.7kg
5485-03BS330L18514570805055100kgf22kg


歡迎咨詢蛇形萬向磁性座 BS330 5485 產品相關問題, 咨詢電話 ? 0769-87330001轉8802,或咨詢在線客服 (工作日:8:30-18:00)。

訂購:蛇形萬向磁性座 BS330 5485

跟此產品相關的產品