歡迎來到 東莞市錦鴻塑膠五金模具配件有限公司 網站!

模具配件 VODA

中國地區服務熱線:

180 3348 3551

電話:0769-87330001轉8802

型號: evh50 5620 -[待選參數]

精密磨床配件

MAGNETIC TOOLS

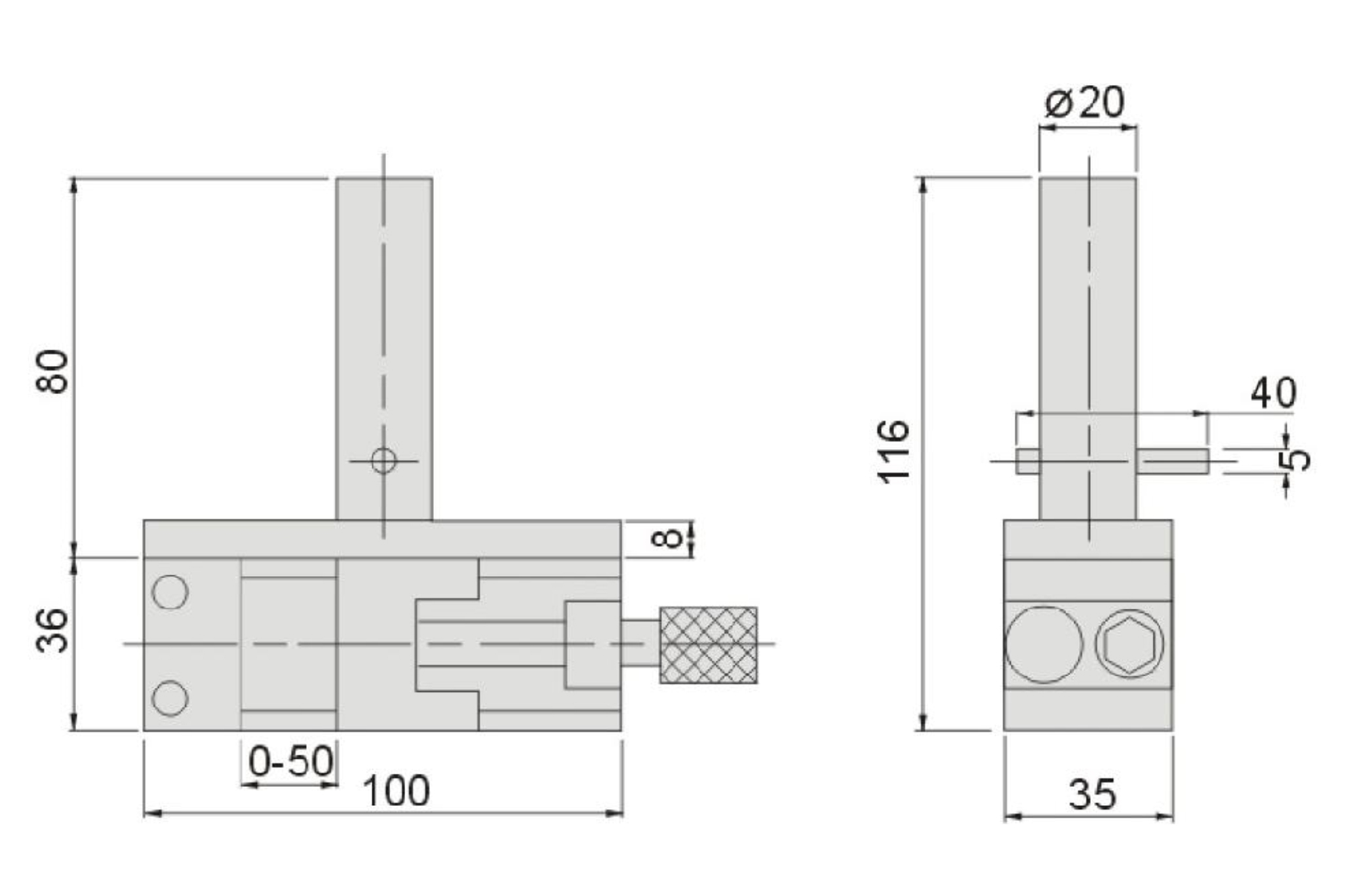
5620 evh50不銹鋼電極萬力


特點:

  • 可用于放電加工機上夾持大小不同的電極,具有平行及精確的直角度,用不銹鋼材質制作. 保持不生銹及精度

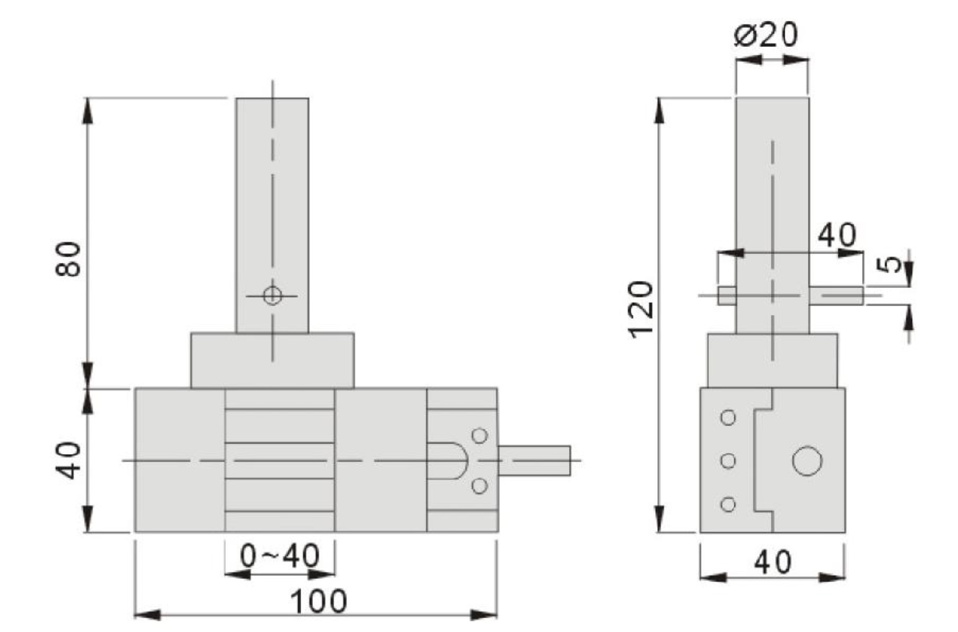
5620 evr40不銹鋼電極萬力


特點:

  • 用于放電加工機上夾持放電極

  • 鉗口開閉采用手動螺桿設計,較適合于小型工件夾持。


歡迎咨詢不銹鋼電極萬力 evh50 5620 產品相關問題, 咨詢電話 ? 0769-87330001轉8802,或咨詢在線客服 (工作日:8:30-18:00)。

訂購:不銹鋼電極萬力 evh50 5620

跟此產品相關的產品