歡迎來到 東莞市錦鴻塑膠五金模具配件有限公司 網站!

模具配件 VODA

中國地區服務熱線:

180 3348 3551

電話:0769-87330001轉8802

c0b-fa-fb
您的位置:首頁 > 模具配件 > 油缸系列
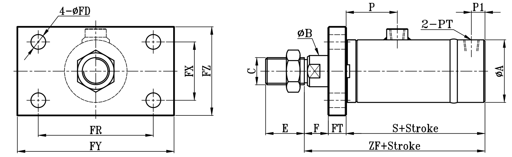
型號: c0b-fa-fb -[待選參數]

C0B-FA、FB

COB:COB+FA(方型) TYPE

工程圓型中型油壓缸FA、FB板尺寸圖 14Mpa C0 Series FA,FB Dimensional Features

法蘭:FA、FB(圓型共用) TYPE

COB:COB+FB(方型) TYPE

COA TYPEFA、FB(方法蘭)FA、FB(圓法蘭)
缸徑
BORE
ΦAΦBCEFPP1PTSZFFTΦFDFRFXFYFZQΦRΦ0ΦP
Φ405025M22xP1.5301540133/8104133141293501157041210075
Φ506030M26xP1.5402045153/81191551614110561358561211085
Φ637335M30xP1.5402050153/812416016161266815595614130101
Φ809240M30xP1.5452555181/2139182181815275190120616160127
Φ10011450M40xP2.0502565181/21592032020180100220140618185150
Φ12514060M50xP2.0603070203/41752292424222122270170618215180
Φ14016070M60xP2.0703075203/41802392926250145300195620240205
Φ15016880M70xP2.0803075203/41952542929260155315210820255215
Φ16017880M70xP2.0803075203/41952542929270165325220820270230
Φ180200100M90xP2.0100358525122529434323151883752501020290250
Φ200228100M90xP2.0100358525122529939353552074252751020315274
Φ220250125M100xP3.01103595291 1/426033944383752254503001222340300
Φ250276125M100xP3.01103595291 1/426034449414102504903301222365325

歡迎咨詢c0b-fa-fb 產品相關問題, 咨詢電話 ? 0769-87330001轉8802,或咨詢在線客服 (工作日:8:30-18:00)。

訂購:c0b-fa-fb

跟此產品相關的產品