歡迎來到 東莞市錦鴻塑膠五金模具配件有限公司 網站!

模具配件 VODA

中國地區服務熱線:

180 3348 3551

電話:0769-87330001轉8802

h0-ta-tb
您的位置:首頁 > 模具配件 > 油缸系列
型號: h0-ta-tb -[待選參數]

H0-TA、TB

HOB:HOB+TA TYPE

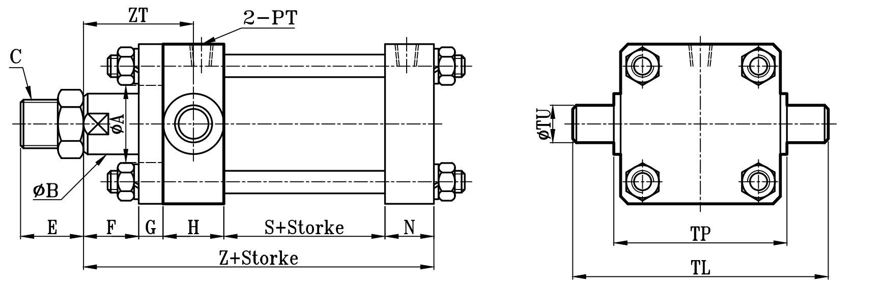
方型重型油壓缸TA板尺寸圖 14Mpa Hydraulic Cylinders TA Dimensional Features

HOB:HOB+TB TYPE

HOD:HOD+TA TYPE

HOB-HOD TYPETA/TB TYPE
缸徑
BORE
ΦAΦBCEFGHNPTSZZDZTZTBTBΦTUTLTP
Φ323118M16xP1.530151428251/4"501321644313514169260
Φ403825M22xP1.535201428253/8"5013717448140142011575
Φ504430M26xP1.540201633283/8"5515219352.515716.52514090
Φ634935M30xP1.540201633283/8"5515219352.515716.530160100
Φ805440M30xP1.5   M36xP1.5   可選45251838331/2"60174222621791930190120
Φ1006450M40xP2.050252038331/2"80196246642011935225145
Φ1257460M50xP2.060302443383/4"8021527475.522021.540277177
Φ1509780M70xP2.080302948433/4"90240304832452445310210
Φ1609780M70xP2.080302948433/4"90240304832452445320220
Φ180117100M90xP2.0100353458481"100275354982852955370250
Φ200117100M90xP2.0100353958531"1002853641032902955395275
Φ220150125M100xP3.0no354468581 1/4"1103154041133253465440300
Φ250150125M100xP3.0110354968631 1/4"1103254141183303465470330

歡迎咨詢h0-ta-tb 產品相關問題, 咨詢電話 ? 0769-87330001轉8802,或咨詢在線客服 (工作日:8:30-18:00)。

訂購:h0-ta-tb

跟此產品相關的產品