歡迎來到 東莞市錦鴻塑膠五金模具配件有限公司 網站!

模具配件 VODA

中國地區服務熱線:

180 3348 3551

電話:0769-87330001轉8802

j0-b
您的位置:首頁 > 模具配件 > 油缸系列
型號: j0-b -[待選參數]

J0-B

E:外牙型

H:H槽型

S/L/C共用

JOB:JOB+S(方型)+I(內牙)

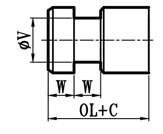
薄型單軸油壓缸尺寸圖 14Mpa Series Dimensional Features

JOB:JOB+L(扁型)+I(內牙)

JOB:JOB+C(長方型)+I(內牙)

JOBI內牙型E外牙型H槽
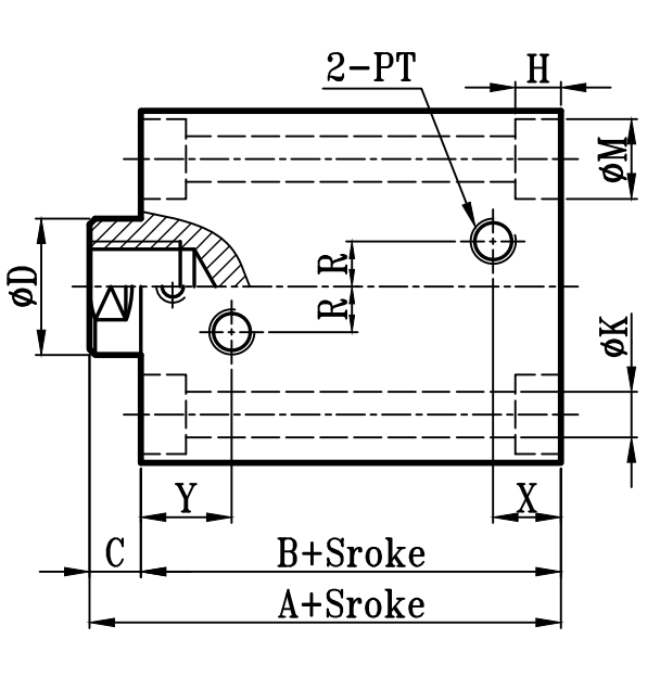
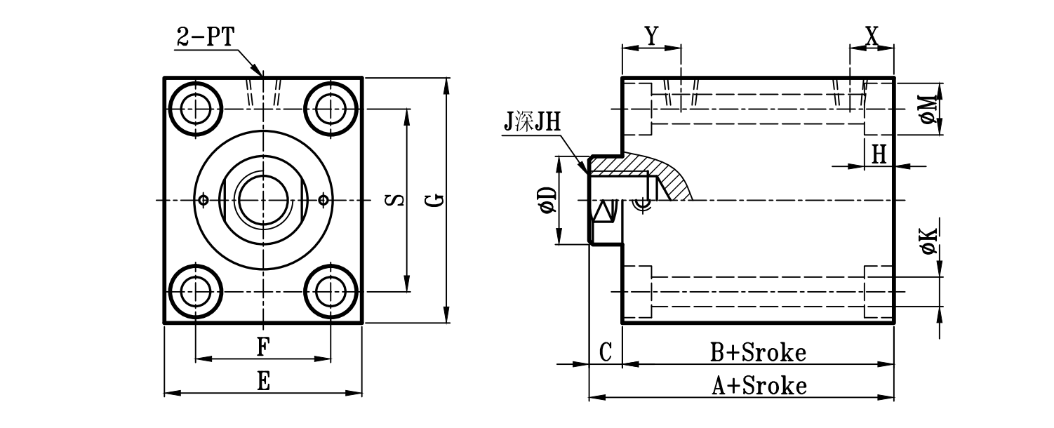
缸徑
BORE
ABCΦDEFEAFAEBLHQFBSGΦKΦK1KAKWΦMHRXYPTJJHOOLWΦV
Φ1649418104026.54433361620133856662589.5607191/8M6xP115M8xP1.251585
Φ20524481245305038411820154260672589.5607201/8M8xP1.2515M10xP1.2515107
Φ25534581450365543462120175067672689.5657201/8M10xP1.515M12xP1.2520109
Φ3264541020624770565625202460787928121171010251/4M12xP1.7520M16xP1.5251514
Φ40655510257052806264292023668491128121491010251/4M16xP2.020M22xP1.5301518
Φ5071601130805894747434202776981113291417111011271/4M20xP2.525M26xP1.5351523
Φ638067133594691149089422032921171416311620131013303/8M24xP3.030M30xP1.5401527
Φ8095781740114861341101095220411121401616341623151515323/8M27xP3.035M36xP1.5452032
Φ100998217501341021601341296220441321641818341626171515343/8M36xP4.040M40xP2.0502040
Φ1251159520601641241951631587630441622022222442032212017391/2M45xP4.545M50xP2.0552050
Φ15012110120801941462301921868930471872352626462038252019411/2M60xP5.545M70xP2.0602570
Φ1801341092510022417127022821610430532172702929492042282021451/2M75xP6.050M90xP2.0652585
Φ2001441192512024618830025223711430602372953232512047312023471/2M95xP6.050M100xP3.07025100

歡迎咨詢j0-b 產品相關問題, 咨詢電話 ? 0769-87330001轉8802,或咨詢在線客服 (工作日:8:30-18:00)。

訂購:j0-b

跟此產品相關的產品