歡迎來到 東莞市錦鴻塑膠五金模具配件有限公司 網站!

模具配件 VODA

中國地區服務熱線:

180 3348 3551

電話:0769-87330001轉8802

j0r-m-1
您的位置:首頁 > 模具配件 > 油缸系列
型號: j0r-m-1 -[待選參數]

J0R-M

JOR:JOR+S(方型)+B(后油口)+I(內牙)+M(磁石)

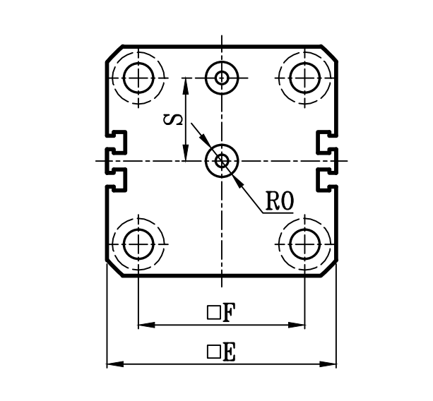
油路板型感應油壓缸尺寸圖 14Mpa Series Dimensional Features

E:外牙型

H:H槽型

S/L/C共用

JOR:JOR+L(扁型)+I(內牙)+M(磁石)

JOR-MI(內牙型)E(外牙型)H型槽
缸徑
BORE
AABBCΦDEFEAFAEBLHQFBΦKΦK1KAKWΦMHYXSR0JJH0OLWΦV
Φ1652.544.58104026.5443336162013662589.5619.5812Φ8深1.3M6xP115M8xP1.251585
Φ2063558124530503841182015672589.5620.5814.5Φ8深1.3M8xP1.2515M10xP1.2515107
Φ2565578145036554346212017672689.5621917Φ10深1.3M10xP1.515M12xP1.2520109
Φ32766610206247705656252024792812117251222Φ12深1.3M12xP1.7520M16xP1.5251514
Φ4079691025705280626429202391128121492512.526Φ12深1.3M16xP2.020M22xP1.5301518
Φ5085741130805894747434202711132914171127.513.531Φ12深1.3M20xP2.525M26xP1.5351523
Φ639481133594691149089422032141631162013301638Φ12深1.3M24xP3.030M30xP1.5401527
Φ8010992174011486134110109522041161634162315321947Φ15深1.7M27xP3.035M36xP1.5452032
Φ10011194175013410216013412962204418183416261735.52057Φ15深1.7M36xP4.040M40xP2.0502040
Φ1251251052060164124195163158763044222244203221412370Φ19深1.7M45xP4.545M50xP2.0552050
Φ150134114208019414623019218689304726264620382543.52585Φ19深1.7M60xP5.545M70xP2.0602570
Φ1801551302510022417127022821610430532929492042284730100Φ19深1.7M75xP6.050M90xP2.0652585
Φ2001621372512024618830025223711430603232512047314933110Φ19深1.7M95xP6.050M100xP3.07025100

歡迎咨詢j0r-m-1 產品相關問題, 咨詢電話 ? 0769-87330001轉8802,或咨詢在線客服 (工作日:8:30-18:00)。

訂購:j0r-m-1

跟此產品相關的產品