歡迎來到 東莞市錦鴻塑膠五金模具配件有限公司 網站!

模具配件 VODA

中國地區服務熱線:

180 3348 3551

電話:0769-87330001轉8802

m0-fa
您的位置:首頁 > 模具配件 > 油缸系列
型號: m0-fa -[待選參數]

M0-FA

MOB:MOB+FA TYPE

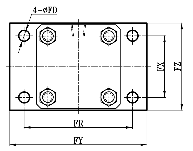
方型輕油油壓缸FA板尺寸圖 7Mpa Hydraulic Cylinders FA Dimensional Features

MOD:MOD+FA TYPE

MOB-MODFA TYPE
缸徑
BORE
ΦAΦBCEFGHPTSZZDΦFDFTFRFXFYFZ
Φ162110M8xP1.25201115201/8451111377853237040
Φ202512M10xP1.25251115201/8451111377858287545
Φ252514M12xP1.25251115201/8451111377858287545
Φ323016M14xP1.5301515251/450130160910803410055
Φ404020M16xP1.5301520253/8501351701211935011575
Φ504520M16xP1.5301520303/8551501851211935011575
Φ635525M22xP1.5352025303/85516020514141176014090
Φ806230M26xP1.5402030351/260180230141615275180110
Φ1007535M30xP1.5402030351/275195245161815890195130
Φ1258550M40xP2.0502530401/2752102651820184110225150
Φ15010560M50xP2.0603030503/4852453052224225145270190
Φ16010560M50xP2.0603030503/4852453052224225145270190
Φ18013080M70xP2.0803035503/4952603252629280175330230
Φ20013080M70xP2.0803035503/4952603252629280175330230

歡迎咨詢m0-fa 產品相關問題, 咨詢電話 ? 0769-87330001轉8802,或咨詢在線客服 (工作日:8:30-18:00)。

訂購:m0-fa

跟此產品相關的產品