
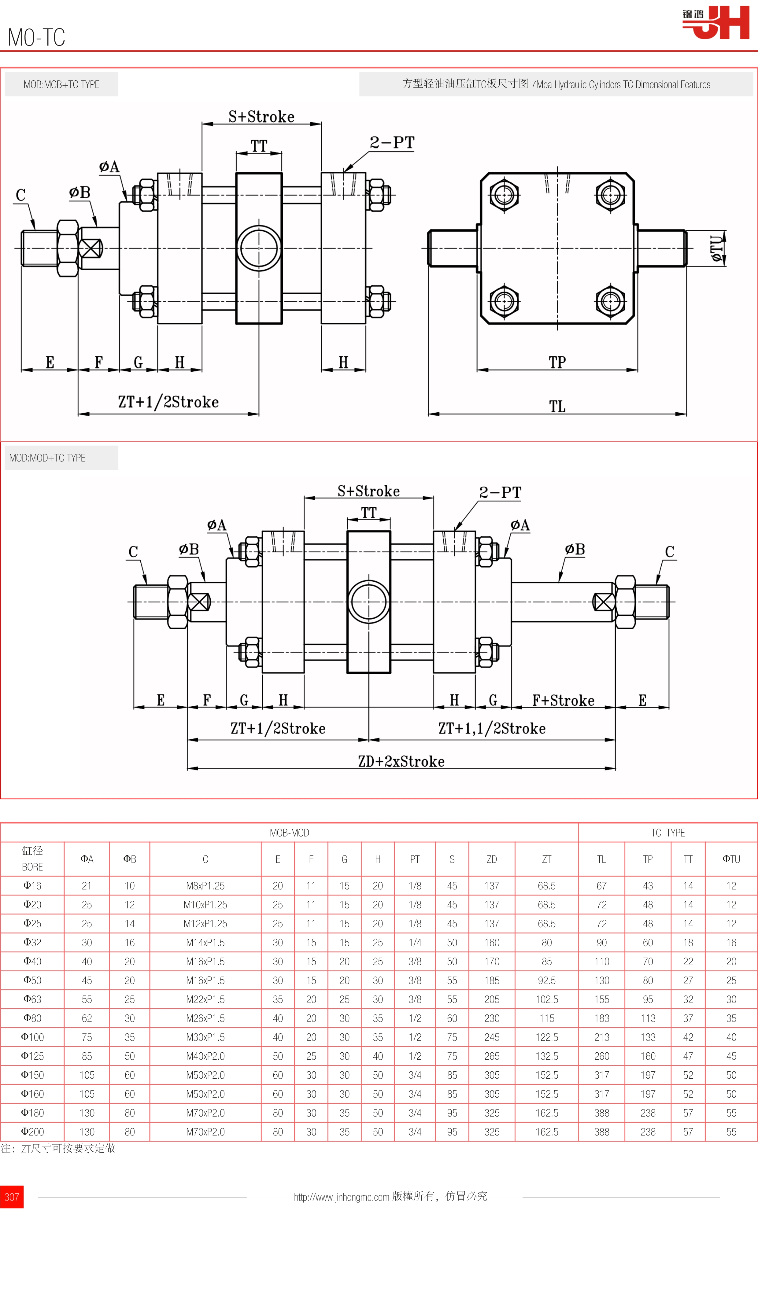
MOB:MOB+TC TYPE | 方型輕油油壓缸TC板尺寸圖 7Mpa Hydraulic Cylinders TC Dimensional Features |
![]() | |
MOD:MOD+TC TYPE

| MOB-MOD | TC TYPE | ||||||||||||||
| 缸徑 BORE | ΦA | ΦB | C | E | F | G | H | PT | S | ZD | ZT | TL | TP | TT | ΦTU |
| Φ16 | 21 | 10 | M8xP1.25 | 20 | 11 | 15 | 20 | 1/8 | 45 | 137 | 68.5 | 67 | 43 | 14 | 12 |
| Φ20 | 25 | 12 | M10xP1.25 | 25 | 11 | 15 | 20 | 1/8 | 45 | 137 | 68.5 | 72 | 48 | 14 | 12 |
| Φ25 | 25 | 14 | M12xP1.25 | 25 | 11 | 15 | 20 | 1/8 | 45 | 137 | 68.5 | 72 | 48 | 14 | 12 |
| Φ32 | 30 | 16 | M14xP1.5 | 30 | 15 | 15 | 25 | 1/4 | 50 | 160 | 80 | 90 | 60 | 18 | 16 |
| Φ40 | 40 | 20 | M16xP1.5 | 30 | 15 | 20 | 25 | 3/8 | 50 | 170 | 85 | 110 | 70 | 22 | 20 |
| Φ50 | 45 | 20 | M16xP1.5 | 30 | 15 | 20 | 30 | 3/8 | 55 | 185 | 92.5 | 130 | 80 | 27 | 25 |
| Φ63 | 55 | 25 | M22xP1.5 | 35 | 20 | 25 | 30 | 3/8 | 55 | 205 | 102.5 | 155 | 95 | 32 | 30 |
| Φ80 | 62 | 30 | M26xP1.5 | 40 | 20 | 30 | 35 | 1/2 | 60 | 230 | 115 | 183 | 113 | 37 | 35 |
| Φ100 | 75 | 35 | M30xP1.5 | 40 | 20 | 30 | 35 | 1/2 | 75 | 245 | 122.5 | 213 | 133 | 42 | 40 |
| Φ125 | 85 | 50 | M40xP2.0 | 50 | 25 | 30 | 40 | 1/2 | 75 | 265 | 132.5 | 260 | 160 | 47 | 45 |
| Φ150 | 105 | 60 | M50xP2.0 | 60 | 30 | 30 | 50 | 3/4 | 85 | 305 | 152.5 | 317 | 197 | 52 | 50 |
| Φ160 | 105 | 60 | M50xP2.0 | 60 | 30 | 30 | 50 | 3/4 | 85 | 305 | 152.5 | 317 | 197 | 52 | 50 |
| Φ180 | 130 | 80 | M70xP2.0 | 80 | 30 | 35 | 50 | 3/4 | 95 | 325 | 162.5 | 388 | 238 | 57 | 55 |
| Φ200 | 130 | 80 | M70xP2.0 | 80 | 30 | 35 | 50 | 3/4 | 95 | 325 | 162.5 | 388 | 238 | 57 | 55 |
注:ZT尺寸可按要求定做
訂購:m0-tc