歡迎來到 東莞市錦鴻塑膠五金模具配件有限公司 網站!
中國地區服務熱線:
電話:0769-87330001轉8802
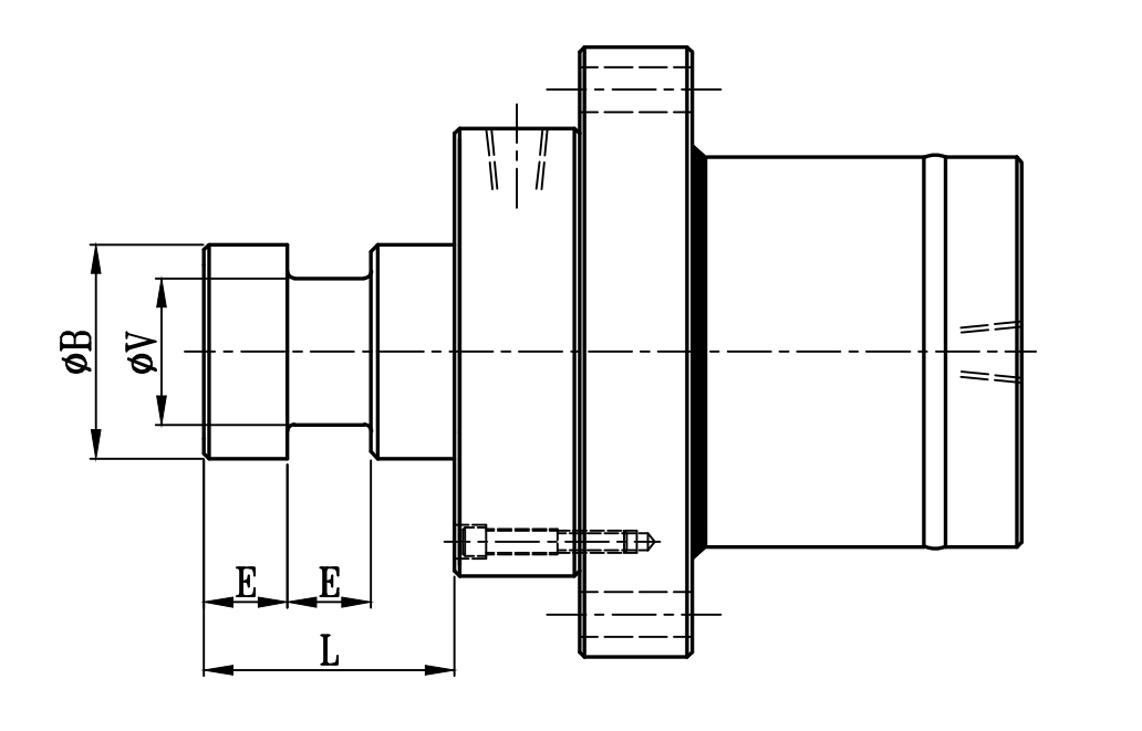
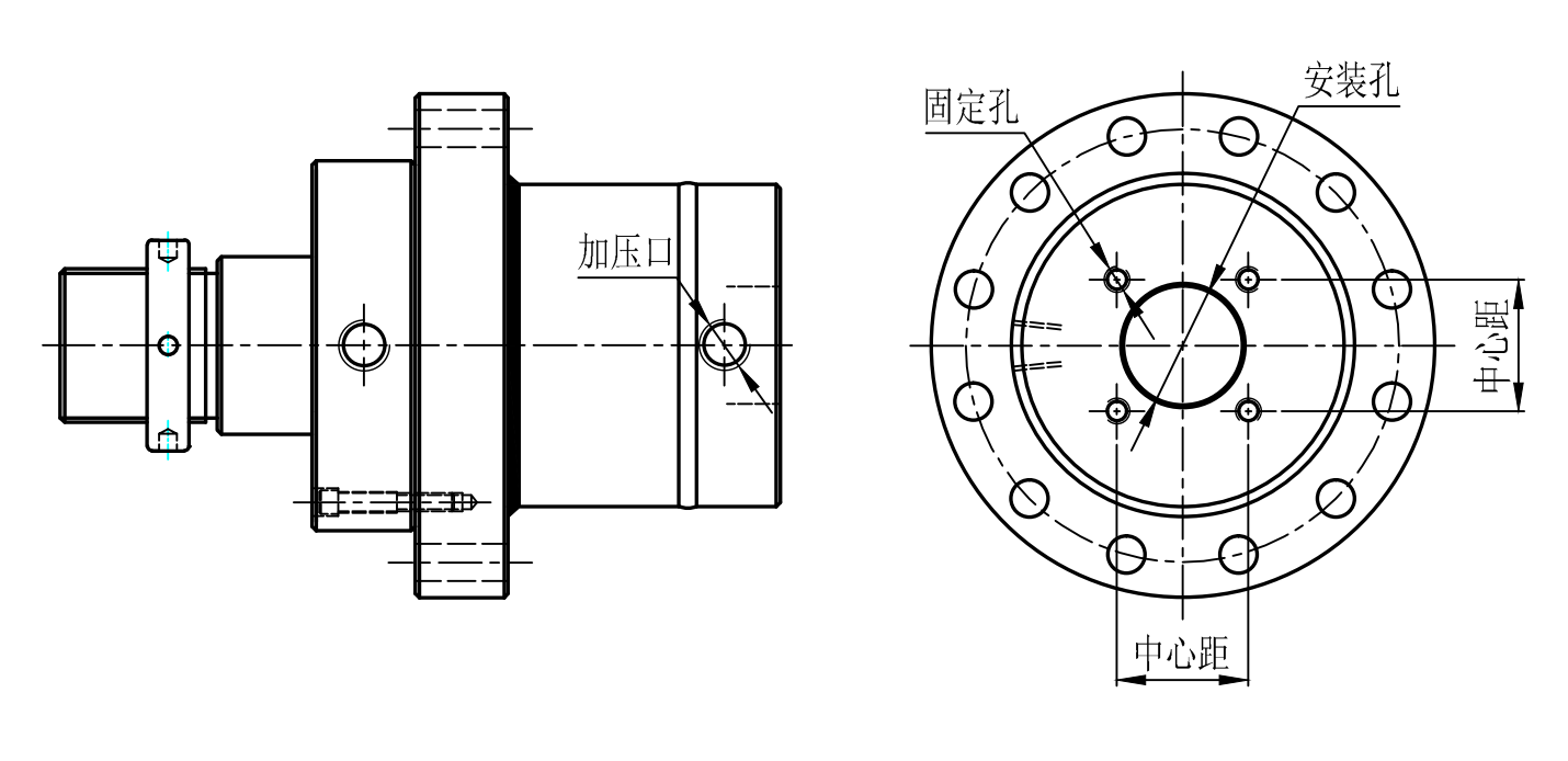
充液閥:安裝示意圖
充液閥安裝示意圖 客戶需提供充液閥安裝尺寸
H槽全系共用
訂購:p56-充液閥-H槽
東莞市錦鴻塑膠五金模具配件有限公司© 2021 版權所有
錦鴻專注生產模具配件,塑膠模具配件,壓鑄模具配件,五金模具配件等
制造基地:廣東省東莞市清溪鎮荔橫村荔枝墩街11號
官方網站:http://www.fzsyuan.com
服務熱線:180 3348 3551 傳真:0769-87330008
營銷網站建設提供技術支持
備案號:粵ICP備12082576號-1 粵公網安備:44190002003104號 訪問量 :
掃一掃二維碼