歡迎來到 東莞市錦鴻塑膠五金模具配件有限公司 網站!

模具配件 VODA

中國地區服務熱線:

180 3348 3551

電話:0769-87330001轉8802

型號: p62 -[待選參數]

油壓缸軸牙通用配件:Y、P、I

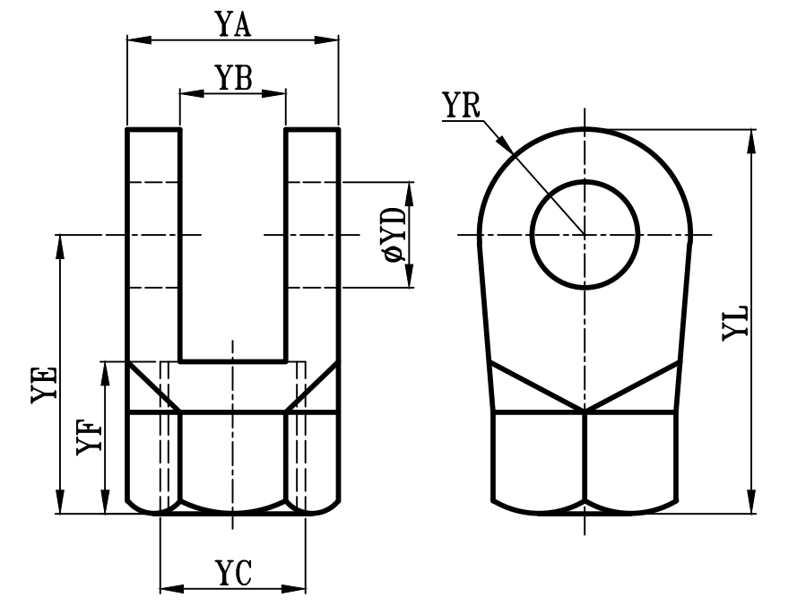
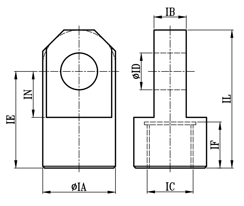
油缸系列通用配件尺寸圖 Accessories fot Hydraulic Series Cylinders

Y: (Y型接頭)TYPE


型號YAYLYRYEYFYCYBΦYD
HY0102050104025M10xP1.251010
HY0122050104025M12xP1.251010
HY0142860144627M14xP1.51414
HY0162860144627M16xP1.51414
HY0223670185229M22xP1.51818
HY0264484226235M26xP1.52222
HY0305090256535M30xP1.52525
HY03660100307035M36xP1.53030
HY04070115358040M40xP23535
HY05090140459545M50xP24545
HY0701101805512565M70xP25555
HY0901402307016085M90xP27070
HY1001702658518090M100xP38585

P: (插銷)TYPE


(卡簧式插銷)
(開口銷式插銷)
型號PZPAΦPD
HP0103521.510
HP0144329.514
HP0184637.518
HP0225546.522
HP02562.552.525
HP03072.562.530
HP0358472.535
HP04510592.545
HP055127112.555
HP070160142.570
HP085190172.585

I: (I型接頭)TYPE


型號IEINILIFIBICIAΦID
HI0104015502010M10xP1.252010
HI0124015502010M12xP1.252010
HI0144619602214M14xP1.53014
HI0164619602214M16xP1.53014
HI0225223702418M22xP1.54018
HI0266227843022M26xP1.54522
HI0306530903025M30xP1.55525
HI03670351003030M36xP1.56030
HI04080401153535M40xP27035
HI050100501454545M50xP29045
HI070125601806055M70xP211055
HI090160752308070M90xP214070
HI100180902658585M100xP317085

歡迎咨詢p62-油壓缸軸牙通用配件:Y、P、I 產品相關問題, 咨詢電話 ? 0769-87330001轉8802,或咨詢在線客服 (工作日:8:30-18:00)。

訂購:p62-油壓缸軸牙通用配件:Y、P、I

跟此產品相關的產品