歡迎來到 東莞市錦鴻塑膠五金模具配件有限公司 網站!

模具配件 VODA

中國地區服務熱線:

180 3348 3551

電話:0769-87330001轉8802

r0-ta
您的位置:首頁 > 模具配件 > 油缸系列
型號: r0-ta -[待選參數]

R0-TA

ROA:ROA+TA TYPE

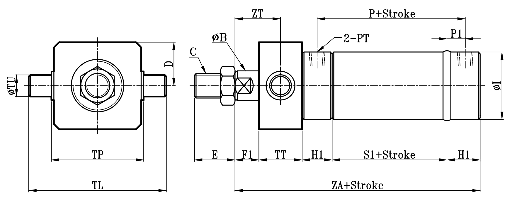
圓型中型油壓缸TA尺寸圖 14Mpa R0 Series TA Dimensional Features

ROD:ROD+TA TYPE

注:感應油缸時,不論是單軸還是雙軸缸,缸筒長度的選擇均為雙軸缸的缸筒長度

ROB-ROD TYPETA (耳軸型)TYPE
缸徑
BORE
ΦBCEFF1H1HΦIPP1PTS1SZAZDZTΦTUTLTPTTD
Φ3216M14xP1.53015222550428110.51/46080150210311892621825
Φ4020M16xP1.530151825505084123/860801502102922115772232.5
Φ5025M22xP1.540202330606095123/8719518125536.527140922740
Φ6335M30xP1.540201830607395123/8719518125534321601023245
Φ8040M30xP1.5452523357092113151/28311021330041.5371901223755
Φ10050M40xP2.05025163570114123151/29312022331038442331554465
Φ12560M50xP2.06030164080140136193/49813024835043542771805481
Φ14070M60xP2.07030164080156136193/49813024835043543002005495
Φ15080M70xP2.08030114590168151193/411315027839043643302126497. 5
Φ16080M70xP2.08030114590178151193/4113150278390436434022264102.5
Φ180100M90xP2.010035155010020017723.51130170315440507040025570117.5
Φ200100M90xP2.010035155010022817723.51130170315440507042527770130.5
Φ220125M100xP3.0110351055110250203281 1/4147190347480508048030280142.5
Φ250125M100xP3.0110351055110276203281 1/4147190347480508051033280157.5

歡迎咨詢r0-ta 產品相關問題, 咨詢電話 ? 0769-87330001轉8802,或咨詢在線客服 (工作日:8:30-18:00)。

訂購:r0-ta

跟此產品相關的產品